Passat b6 numbrituled millised juhtmed

Autoelekter, elektroonika, lisaseadmed jne.

Moderaatorid: etnies858, J.Aru, GTI, dellu

Vasta
dub1
Huviline
Postitusi: 1381
Liitunud: 10 Okt 2010, 17:33
Telefon: 5 8257569
Auto: Passat b6.. 07a ja T5 multivan 2004
Asukoht: Viljandimaa, Järvamaa
Tänanud: 19 korda
Tänatud: 12 korda

Passat b6 numbrituled millised juhtmed

Lugemata postitus Postitas dub1 »

Millised juhtmed on numbrituledele ja millised luugi avamis lülitile?
IMG_20191018_173028.jpg
IMG_20191018_173028.jpg (115.51 KiB) Vaadatud 4557 korda
IMG_20191018_173004.jpg
IMG_20191018_173004.jpg (37.4 KiB) Vaadatud 4557 korda
VäikeWürst - VW
dub1
Huviline
Postitusi: 1381
Liitunud: 10 Okt 2010, 17:33
Telefon: 5 8257569
Auto: Passat b6.. 07a ja T5 multivan 2004
Asukoht: Viljandimaa, Järvamaa
Tänanud: 19 korda
Tänatud: 12 korda

Passat b6 numbrituled millised juhtmed

Lugemata postitus Postitas dub1 »

Tegu siis 4 pin pistikuga. kõik juhtmed ühte värvi aga 2 peenemat ja 2 jämedamat. Mis juhe mille jaoks on?
VäikeWürst - VW
Kasutaja avatar
volkar
Huviline
Postitusi: 1130
Liitunud: 22 Okt 2010, 18:50
Telefon: viis kaks 007 kolm üheksa
Auto: Passat B6
Asukoht: Võru
Tänanud: 30 korda
Tänatud: 34 korda

Passat b6 numbrituled millised juhtmed

Lugemata postitus Postitas volkar »

kuni aprill 2007 oli numbritule jaoks kasutusel pin 2
Hell Was Full So I Come Back _ .. .. _
VW Passat B6 1.9TDI - 2007 - volkar ツ ツ
dub1
Huviline
Postitusi: 1381
Liitunud: 10 Okt 2010, 17:33
Telefon: 5 8257569
Auto: Passat b6.. 07a ja T5 multivan 2004
Asukoht: Viljandimaa, Järvamaa
Tänanud: 19 korda
Tänatud: 12 korda

Passat b6 numbrituled millised juhtmed

Lugemata postitus Postitas dub1 »

volkar kirjutas: 18 Okt 2019, 20:12 kuni aprill 2007 oli numbritule jaoks kasutusel pin 2
Ega juhuslikult mingit skeemi pole....
pin 2 on siis mis? mingi can liin?
kuna pirn vajab ju põlemiseks nii maansust kui plussi, siis kus saab pirn omale voolu? kuna üks peenike juhe ja üks jäme juhe diogonaalis on pagasiluugi avamiseks, siis kuhu lähevad teised 2( üks peenike ja üks jäme juhe).
Mis moodi see toimib? kuna need 2 mis üle seal pole ka voolu sees.
VäikeWürst - VW
Kasutaja avatar
raitzzzz
Huviline
Postitusi: 267
Liitunud: 08 Jaan 2008, 20:30
Telefon: viisviiisviisviis7272
Auto: Golf 2, Passat B6
Asukoht: Tartu-Voore
Tänanud: 2 korda

Passat b6 numbrituled millised juhtmed

Lugemata postitus Postitas raitzzzz »

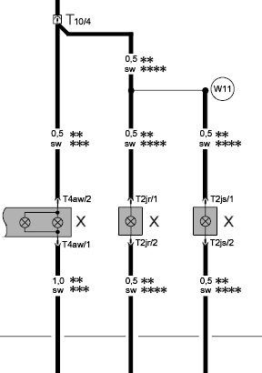
Kas peenem juhe mitte hall-pruun pole? Vaata lk21 https://passatworld.ru/othr/bz/b6ds/b6_wd_eng.zip
Kasutaja avatar
R36
Tunnustatud
Postitusi: 8071
Liitunud: 02 Mär 2009, 15:53
Auto: SKODA KODIAQ 2022 2.0TDI 147kw 4x4
Asukoht: TARTU
Tänanud: 44 korda
Tänatud: 202 korda
Kontakt:

Passat b6 numbrituled millised juhtmed

Lugemata postitus Postitas R36 »

Nr tuli vana.PNG
Nr tuli vana.PNG (16.55 KiB) Vaadatud 4478 korda
Viimati muutis R36, 19 Okt 2019, 01:37, muudetud 1 kord kokku.
stefeli.ee - Hobiprojekt - VW/AUDI/SKODA/SEAT CarPlay/ODIS/Immobilisaatorid/Komponendikaitse/SVM jne...... Magnus
Kasutaja avatar
volkar
Huviline
Postitusi: 1130
Liitunud: 22 Okt 2010, 18:50
Telefon: viis kaks 007 kolm üheksa
Auto: Passat B6
Asukoht: Võru
Tänanud: 30 korda
Tänatud: 34 korda

Passat b6 numbrituled millised juhtmed

Lugemata postitus Postitas volkar »

dub1 kirjutas: 18 Okt 2019, 20:52
Ega juhuslikult mingit skeemi pole....
pin 2 on siis mis? mingi can liin?
kuna pirn vajab ju põlemiseks nii maansust kui plussi, siis kus saab pirn omale voolu? kuna üks peenike juhe ja üks jäme juhe diogonaalis on pagasiluugi avamiseks, siis kuhu lähevad teised 2( üks peenike ja üks jäme juhe).
Mis moodi see toimib? kuna need 2 mis üle seal pole ka voolu sees.
pin 2 tuleb keskelektist vool lambile, pin 1 on siis lambi mass pool
pin 4 tuleb comfort plokist ja luugi nuppu ning pin 3 luugi nupu massi
Hell Was Full So I Come Back _ .. .. _
VW Passat B6 1.9TDI - 2007 - volkar ツ ツ
dub1
Huviline
Postitusi: 1381
Liitunud: 10 Okt 2010, 17:33
Telefon: 5 8257569
Auto: Passat b6.. 07a ja T5 multivan 2004
Asukoht: Viljandimaa, Järvamaa
Tänanud: 19 korda
Tänatud: 12 korda

Passat b6 numbrituled millised juhtmed

Lugemata postitus Postitas dub1 »

Sain asja ilusti timima ainult,et ma võtsin tuledele uue massi luugi enda küljest, kuna kui tuledele massi pistikust võtsin siis ei hakkanud ikka tööle.
Väike muudatus aga asi korras ja tänud kaasamõtlejatele.
VäikeWürst - VW
Vasta

Mine “Elektroonika”